产品名称:双回路数字/光柱显示控制仪产品简介:
双回路数字/光柱显示控制仪 采用先进的微处理器进行智能控制,适用于温度、湿度、压力、液位、瞬时流量、速度等多种物理量检测信号的显示及控制,并能对各种非线性输入信号进行高精度的线性校正。
可同时对两路信号分别进行显示及控制,两路输入信号亦可为不同类型的信号。输入端口均具备万能信号输入,只需通过仪表菜单的简单选定,即可实现不同类型输入信号(各种热电偶、热电阻、标准电压/标准电流信号)之间的轻松切换,提高了仪表的通用性和可靠性。
采用高亮度LED数码显示和高分辨率光柱显示(比例显示),使测量/控制值的显示更为清晰直观。显示方式有两种:双屏数码显示、双屏数码+双光柱显示;控制方式:两路相互独立的继电器控制/报警输出或模拟量变送输出。
输出回路均采用光电隔离,抗干扰能力强。可带串行通讯接口。
产品外形:
产品接线图:
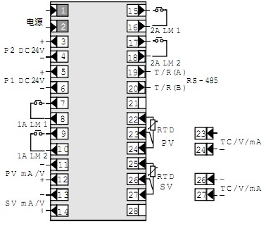
96×48、48×96仪表接线图:

96×96仪表接线图:

160×80、80×160仪表接线图:

选型表:
|
型号
|
说明
|
|||||||||||||
|
WP-
|
□□
|
□
|
□□
|
-□
|
□
|
□
|
-□□
|
□□
|
-□
|
□
|
□□
|
□
|
|
|
|
外形特征
|
D
|
|
|
|
|
|
|
|
|
|
|
|
双屏横式显示
|
|
|
DS
|
|
|
|
|
|
|
|
|
|
|
|
双屏竖式显示
|
||
|
T
|
|
|
|
|
|
|
|
|
|
|
|
双屏双光柱竖式显示
|
||
|
TX
|
|
|
|
|
|
|
|
|
|
|
|
双屏双光柱横式显示
|
||
|
外形尺寸
|
4
|
|
|
|
|
|
|
|
|
|
|
96×48mm(横式);48×96mm(竖式)
|
||
|
8
|
|
|
|
|
|
|
|
|
|
|
160×80mm(横式);80×160mm(竖式)
|
|||
|
9
|
|
|
|
|
|
|
|
|
|
|
96×96mm(方式)
|
|||
|
控制作用
|
21
|
|
|
|
|
|
|
|
|
|
测量显示
|
|||
|
23
|
|
|
|
|
|
|
|
|
|
测量显示带上、下限控制/报警
|
||||
|
通讯方式
|
0
|
|
|
|
|
|
|
|
|
无通讯接口
|
||||
|
2
|
|
|
|
|
|
|
|
|
RS-232C通讯接口
|
|||||
|
8
|
|
|
|
|
|
|
|
|
RS-485通讯接口
|
|||||
|
PV输出方式
|
0
|
|
|
|
|
|
|
|
无输出
|
|||||
|
1
|
|
|
|
|
|
|
|
继电器输出
|
||||||
|
2
|
|
|
|
|
|
|
|
(4~20)mA输出
|
||||||
|
3
|
|
|
|
|
|
|
|
(0~10)mA输出
|
||||||
|
4
|
|
|
|
|
|
|
|
(1~5)V输出
|
||||||
|
5
|
|
|
|
|
|
|
|
(0~5)V输出
|
||||||
|
6
|
|
|
|
|
|
|
|
SCR可控硅过零触发脉冲输出
|
||||||
|
7
|
|
|
|
|
|
|
|
SSR固态继电器控制信号输出
|
||||||
|
8
|
|
|
|
|
|
|
|
特殊规格变送输出
|
||||||
|
SV输出方式
|
0
|
|
|
|
|
|
|
无输出
|
||||||
|
1
|
|
|
|
|
|
|
继电器输出
|
|||||||
|
2
|
|
|
|
|
|
|
(4~20)mA输出
|
|||||||
|
3
|
|
|
|
|
|
|
(0~10)mA输出
|
|||||||
|
4
|
|
|
|
|
|
|
(1~5)V输出
|
|||||||
|
5
|
|
|
|
|
|
|
(0~5)V输出
|
|||||||
|
6
|
|
|
|
|
|
|
SCR可控硅过零触发脉冲输出
|
|||||||
|
7
|
|
|
|
|
|
|
SSR固态继电器控制信号输出
|
|||||||
|
8
|
|
|
|
|
|
|
特殊规格变送输出
|
|||||||
|
PV输入类型
|
□
|
|
|
|
|
|
参见“输入类型表”
|
|||||||
|
SV输入类型
|
□
|
|
|
|
|
参见“输入类型表”
|
||||||||
|
PV报警
|
N
|
|
|
|
无控制/报警(可省略)
|
|||||||||
|
H
|
|
|
|
PV为上限报警
|
||||||||||
|
L
|
|
|
|
PV为下限报警
|
||||||||||
|
SV报警
|
N
|
|
|
无控制/报警(可省略)
|
||||||||||
|
H
|
|
|
SV为上限报警
|
|||||||||||
|
L
|
|
|
SV为下限报警
|
|||||||||||
|
馈电输出
|
N
|
|
无馈电输出(相同则可省略)
|
|||||||||||
|
P
|
|
单路DC24V馈电输出(只供80系列
|
||||||||||||
|
2P
|
|
双路DC24V馈电输出(只供80系列
|
||||||||||||
|
供电方式
|
T
|
AC(90~265)V开关电源供电(可省略)
|
||||||||||||
|
选型举例
|
WP-D821-000-2323-N;WP-D823-011-0808-HL
|
|||||||||||||






