产品名称:智能数字/光柱显示控制仪产品简介:
智能数字/光柱显示控制仪,采用先进的微处理器进行智能控制,适用于温度、湿度、压力、液位、瞬时流量、速度等多种物理量检测信号的显示及控制,并能对各种非线性输入信号进行高精度的线性校正。
采用最新无跳线技术,使输入端口具备单通道和万能信号输入功能,只需通过仪表菜单的简单选定,即可实现多种输入信号(各种热电偶、热电阻、标准电压/标准电流信号)之间的轻松切换,提高了仪表的通用性和可靠性。
采用高亮度LED数码显示和高分辨率光柱显示(比例显示),使测量/控制值的显示更为清晰直观.
输出回路均采用光电隔离,抗干扰能力强。可带串行通讯接口,可与各种带串行接口的设备进行双向通信,组成网络控制系统。
产品接线图:
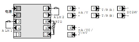
48×48仪表接线图:

72×72仪表接线图:
96×96仪表接线图:

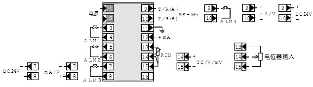
160×80、80×160仪表接线图:
96×48、48×96仪表接线图:

选型表:
|
型号
|
说明
|
||||||||||
|
WP-
|
□□
|
□
|
□□
|
□
|
-□
|
□□
|
-□
|
□
|
□
|
-□
|
|
|
外形特征
|
C
|
|
|
|
|
|
|
|
|
|
单屏横式显示
|
|
S
|
|
|
|
|
|
|
|
|
|
单屏竖式显示
|
|
|
D
|
|
|
|
|
|
|
|
|
|
双屏横式显示
|
|
|
DS
|
|
|
|
|
|
|
|
|
|
双屏竖式显示
|
|
|
T
|
|
|
|
|
|
|
|
|
|
单屏单光柱竖式显示
|
|
|
TX
|
|
|
|
|
|
|
|
|
|
单屏单光柱横式显示
|
|
|
外形尺寸
|
3
|
|
|
|
|
|
|
|
|
48×48mm
|
|
|
4
|
|
|
|
|
|
|
|
|
96×48mm(横式);48×96mm(竖式)
|
||
|
7
|
|
|
|
|
|
|
|
|
72×72mm(方式)
|
||
|
8
|
|
|
|
|
|
|
|
|
160×80mm;80×160mm是(可选光柱)
|
||
|
9
|
|
|
|
|
|
|
|
|
96×96mm(可选光柱)
|
||
|
控制作用
|
01
|
|
|
|
|
|
|
|
测量显示
|
||
|
03
|
|
|
|
|
|
|
|
测量显示带上、下限控制/报警
|
|||
|
04
|
|
|
|
|
|
|
|
显示带四限控制/报警(任意组合)
|
|||
|
通讯方式
|
0
|
|
|
|
|
|
|
无通讯接口
|
|||
|
2
|
|
|
|
|
|
|
RS-232C通讯接口
|
||||
|
8
|
|
|
|
|
|
|
RS-485通讯接口
|
||||
|
输出方式
|
0
|
|
|
|
|
|
无输出
|
||||
|
1
|
|
|
|
|
|
继电器输出
|
|||||
|
2
|
|
|
|
|
|
(4~20)mA输出
|
|||||
|
3
|
|
|
|
|
|
(0~10)mA输出
|
|||||
|
4
|
|
|
|
|
|
(1~5)V输出
|
|||||
|
5
|
|
|
|
|
|
(0~5)V输出
|
|||||
|
6
|
|
|
|
|
|
SCR可控硅过零触发脉冲输出
|
|||||
|
7
|
|
|
|
|
|
SSR固态继电器控制信号输出
|
|||||
|
8
|
|
|
|
|
|
特殊规格变送输出
|
|||||
|
输入类型
|
□□
|
|
|
|
|
参见“输入类型表”
|
|||||
|
第一报警
|
N
|
|
|
|
无控制/报警(可省略)
|
||||||
|
H
|
|
|
|
第一报警为上限报警
|
|||||||
|
L
|
|
|
|
第一报警为下限报警
|
|||||||
|
第二报警
|
N
|
|
|
无控制/报警(可省略)
|
|||||||
|
H
|
|
|
第二报警为上限报警
|
||||||||
|
L
|
|
|
第二报警为下限报警
|
||||||||
|
馈电输出
|
P
|
|
DC24V馈电输出
|
||||||||
|
供电方式
|
|
AC220V线性电源(可省略)
|
|||||||||
|
T
|
AC(90~265)V开关电源供电
|
||||||||||
|
W
|
DC24V供电
|
||||||||||
|
型号举例
|
WP-T803-01-23-HL
|
||||||||||






